



World's Fastest Online Shopping Destination
Perno Intercambiabile per Attacco Attrezzi 3 Punto FIAT
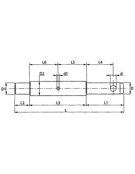
Codice OEM: 5102993
Lunghezza 193 mm
Diametro Ø25 mm
Foro in Punta Ø12 mm
Foro Centrale Ø6.3 mm
Materiale di Ottima qualità che garantisce una lunga durata nel tempo.
1
Perni, Spine Grilli di Ricambio Attacco Terzo Punto, per Trattore, Mezzi Agricoli ed Industriali
