


World's Fastest Online Shopping Destination
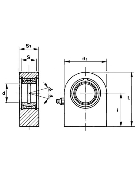
Altezza totale - L 83.5 mm
Spessore - S 22 mm
Altezza - i 51 mm
Diametro esterno - d1 65 mm
Diametro del foro - d 30 mm
Spessore - S1 28 mm
peso netto 0.825 kg
1
Ricambi ed Accessori per Attacco Terzo Punto, per Trattore, Mezzi Agricoli ed Industriali
