


World's Fastest Online Shopping Destination
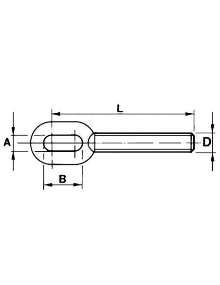
Lunghezza: 109 mm
Filettatura M14x2 SINISTRA
Materiale di Ottima qualità che garantisce una lunga durata nel tempo.
1
Ricambi ed Accessori per Attacco Terzo Punto, per Trattore, Mezzi Agricoli ed Industriali
